МОСКВА
ПОДРОБНЕЕ // ДРУГОЙ ГОРОД
Остаповский проезд
д.5, стр.12, офис 113
+7 (495) 989-1651

Схемы обвязки водонагревателя косвенного нагрева

Схема работы бойлера проста: в бак набирается холодная вода, которую нагревает специальный элемент, затем горячая вода поступает в краны. Самое сложное в установке нагревателя – это обвязка бойлера.

Процесс монтажа самая тяжелая и ответственная часть работы

Процесс монтажа самая тяжелая и ответственная часть работы

Если вы проживаете в частном секторе, то не всегда имеете возможность пользоваться горячей водой, и о централизованной системе горячего водоснабжения остается только мечтать. Но сейчас это не проблематично, хорошо, что существуют современные приборы — водонагреватели для воды. Самый экономичный из них — это бойлер, накопитель горячей воды с функцией подогрева.

Типы конструкций

Источником энергии для водонагревателя может служить электроэнергия, газ, теплообменник.

Самый распространенный вариант – электрический нагреватель. Если у вас нет возможности задействовать газ, то он выручит вас. Установка такого нагревателя недорогая, тем более не нужно брать разрешение в газовом участке, не потребуется приглашать специалистов. Единственный недостаток – много воды таким бойлером вы не нагреете.

газовый обогреватель с водонагревателем

Газовый обогреватель с водонагревателем

Если у вас большая семья, то газовый обогреватель – оптимальный вариант для вас. Установка газового оборудования не порадует своими затратами. Зато газ – недорогая энергия, так что все быстро окупится.

Самым дешевым считается водонагреватель с теплообменником. Такой обогреватель можно подключить там, где есть водопровод и система отопления. Принцип работы – использование змеевика, по нему пропускается техническая горячая вода из системы отопления, которая и нагревает воду в нагревателе. Затрат почти никаких, а техническая вода не соприкасается с чистой.

Иногда использование теплообменников в бойлере проблематично. Вы же не собираетесь пользоваться отоплением в летний период? Поэтому таким нагревателем целесообразно пользоваться зимой.

Из чего состоит водонагреватель? Схема конструкции водонагревателя проста:

  • главный элемент — бак, в который поступает вода;
  • змеевик, в котором расположен теплоноситель;
  • система трубопровода, по которой поступает холодная вода и выходит горячая.

Виды обвязки

Но, несмотря на, казалось бы, несложную конструкцию, бойлер – это сложное устройство, поэтому устанавливать водонагреватель должен высококлассный специалист или монтажные фирмы. Только так вы оградите себя от непредвиденных ситуаций. Конечно, профессиональная установка бойлера обойдется вам в копеечку, но вы заботитесь о своей безопасности. Подключается нагреватель с помощью обвязки, от которой зависит все дальнейшее функционирование системы.

Сложная система обвязки

Сложная система обвязки

На сегодня существует множества схем по обвязке бойлера, но с точностью нельзя утверждать, какая из них является идеальной.

Обвязка выполняется различными способами и полностью зависит от выбранной вами системы водонагревателя.

Обвязка – это особенность подключения системы водоснабжения к водонагревателю.

Для обвязки используются различные стандартные арматурные изделия, трубы. При их выборе лучше руководствоваться качествами изделия, выбирать элементы, сделанные из меди, полипропилена, металлопластика. Не допускается использования гофрированного шланга, потому что учитываются параметры температуры, давления на момент сильной нагрузки нагрева на устройство. Какая я не была высокая температура, проведенная система из труб должна выдержать давление и не привести к аварийной ситуации.

Схема обвязки

Обвязка нагревателя начинается с построения схемы трубопровода и выбора оборудования. Причем монтаж должен в точности соответствовать этой схеме.

Обвязка косвенного бойлера считается самой простой, ее можно выполнить несколькими способами:

  • использование сервопривода и трехходового клапана.
  • с помощью двух насосов.
  • использование стрелки гидравлического усилителя.

Первая схема применяется чаще всего для настенных и напольных котлов. Специалист подключает такой бойлер двумя направлениями трубопровода: один контур используется для отопления помещения, другой предназначен для нагревания холодной воды. В такой системе преимущество отдано водонагревателю. Например, если будут снижаться температурные показатели воды, то в действие вступает трехходовой клапан и вся система направлена на процесс нагрева воды. Отопление системы временно прекращается, а управление системы передается «в руки» специального термостата.

Обвязка с использованием трехходового клапана

Обвязка с использованием трехходового клапана

Вторая схема предполагает использование двух насосов, которые из них устанавливаются специфически, в зависимости от его выполняемой функции. Один циркулярный насос предназначен для качания воды по системе радиаторов, другой по контуру самого бойлера. От самого котла специалист планирует установку на теплообменник тройника, который нужен для конструкции батарей. Главное в такой системе обеспечить нормальную работу бойлера, а только потом системы радиаторов. В бойлер устанавливается термостат, который сигнализирует котлу о снижении температуры воды. Установленная для такой цели автоматика отключает насос, расположенный в радиаторе и автоматически горячая вода набирается в бойлер. Особенность такой обвязки – обязательная установка выключателя, который используется в летний период для отключения системы отопления.

Схема с помощью двух насосов

Схема с помощью двух насосов

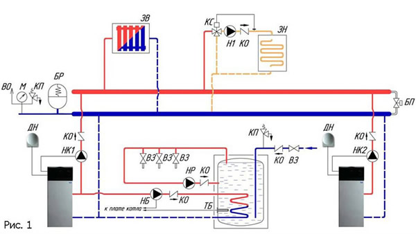
Схема с гидравлической стрелкой чаще всего включает три контура: водонагреватель, теплый пол и отопительный котел. Удачным будет использование в такой обвязке вентиляторов для балансировки. Только при такой схеме вся энергия будет направляться на обогрев воды.

Схема с гидравлической стрелкой

Схема с гидравлической стрелкой

От установки бойлера зависит рециркуляция горячей воды. Иногда доставить горячую воду на кухню, ванную проблематично, так как бойлер находится удаленно. А использование воды одновременно несколькими кранами доставляет неудобства. Возникает проблема: как помыть посуду, если ваш член семьи принимает душ, ведь перемен температуры воды не избежать? Теоретически, пока вода дойдет до кухни – она остынет. Рециркуляцией ГВС называют циркуляцию горячей воды с помощью насоса по кругу, который замкнут.

Какую бы схему для обвязки бойлера вы не выбрали, вы должны придерживаться основных правил присоединения трубопровода: вход холодной воды должен располагаться снизу бака, выход уже нагретой воды – сверху. Такое расположение объясняется физическими законами: горячее вода находится в самой верхней точке.



2006-2026
Все закреплённые правами
материалы принадлежат их
действующим владельцам




ТЕПЛЫЙ ПОЛ ИНФРАКРАСНЫЕ ОБОГРЕВАТЕЛИ ОБОГРЕВ КРОВЛИ БИОКОНДИЦИОНЕРЫ
ТЕПЛОВЫЕ ПУШКИ ЗАЩИТА ОТ ПРОТЕЧЕК САНТЕХНИЧЕСКИЕ ЛЮКИ ОБОГРЕВ ТРУБОПРОВОДОВ
ОБОГРЕВ ДОРОГ ТЕРМОРЕГУЛЯТОРЫ КОНВЕКТОРЫ ВОДОНАГРЕВАТЕЛИ
КОНДИЦИОНЕРЫ УМЫВАЛЬНИКИ ДЛЯ ДАЧИ САМОРЕГУЛИРУЮЩИЕСЯ КАБЕЛИ